返回 产品展示
GW4型户外高压隔离开关
产品详情
|
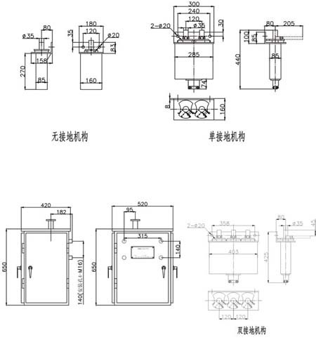
1) 35kV 成套隔离开关由 GW4-40.5 (D)(W)型隔离开关本体、CS11或CS8-6D型人力操动机构、传动附件等组成,也可配用CJ6型等电动机构。110kV成套隔离开关由GW4-126 (D)(W)型隔离开关本体、CS14G 人力操动机构、传动附件等组成,也可配用CJ6型等电动机构。 |
|||||||||||||||||||||||||||||||||||||||||||||||||||||||||||||||||||||||||||||||||||||||||||||||||||||||||||||||||||||||||||||||||||||||||||||||||||||||||||||||||||||||||||||||||||||||||||||||||||||||||||||||||||||||||||||||||||||||||||||||||||||||||||||||||
|
产品特点 |
|||||||||||||||||||||||||||||||||||||||||||||||||||||||||||||||||||||||||||||||||||||||||||||||||||||||||||||||||||||||||||||||||||||||||||||||||||||||||||||||||||||||||||||||||||||||||||||||||||||||||||||||||||||||||||||||||||||||||||||||||||||||||||||||||
|
|
|||||||||||||||||||||||||||||||||||||||||||||||||||||||||||||||||||||||||||||||||||||||||||||||||||||||||||||||||||||||||||||||||||||||||||||||||||||||||||||||||||||||||||||||||||||||||||||||||||||||||||||||||||||||||||||||||||||||||||||||||||||||||||||||||
|
1) 全部采用热镀锌工艺防腐处理,热镀锌不能保证配合要求转动的部位一般均采用不锈钢材料,紧固件M8以下采用不锈钢,其余均采用热镀锌。 |
|||||||||||||||||||||||||||||||||||||||||||||||||||||||||||||||||||||||||||||||||||||||||||||||||||||||||||||||||||||||||||||||||||||||||||||||||||||||||||||||||||||||||||||||||||||||||||||||||||||||||||||||||||||||||||||||||||||||||||||||||||||||||||||||||
|
GW4-40.5、72.5、126(DW)型高压交流隔离开关技术参数 |
|||||||||||||||||||||||||||||||||||||||||||||||||||||||||||||||||||||||||||||||||||||||||||||||||||||||||||||||||||||||||||||||||||||||||||||||||||||||||||||||||||||||||||||||||||||||||||||||||||||||||||||||||||||||||||||||||||||||||||||||||||||||||||||||||
|
|||||||||||||||||||||||||||||||||||||||||||||||||||||||||||||||||||||||||||||||||||||||||||||||||||||||||||||||||||||||||||||||||||||||||||||||||||||||||||||||||||||||||||||||||||||||||||||||||||||||||||||||||||||||||||||||||||||||||||||||||||||||||||||||||
|
GW4-35型户外高压隔离开关
|
|||||||||||||||||||||||||||||||||||||||||||||||||||||||||||||||||||||||||||||||||||||||||||||||||||||||||||||||||||||||||||||||||||||||||||||||||||||||||||||||||||||||||||||||||||||||||||||||||||||||||||||||||||||||||||||||||||||||||||||||||||||||||||||||||
|
项目 |
单位 |
参数 |
||||
|
额定电压 |
kV |
10 |
15 |
|||
|
最高工作电压 |
kV |
12 |
17.5 |
|||
|
|
1min工频耐受电压(有效值) |
对地 |
kV |
40 |
40 |
|
|
断口 |
kV |
47 |
47 |
|||
|
雷电冲击耐受电压(峰值) |
对地 |
kV |
105 |
105 |
||
|
断口 |
kV |
120 |
120 |
|||
|
额定频率 |
Hz |
50 |
||||
|
额定电流 |
A |
200 |
400 |
630 |
||
|
2秒热稳定电流(有效值) |
kA |
6.3 |
12.5 |
20 |
||
|
动稳定电流(峰值) |
kA |
16 |
31.5 |
50 |
||
|
接线端额定纵向机械负荷 |
N |
245 |
||||
|
配用机构 |
CS11-1、CS11、CS8-6D手动机构 |
|||||


|
CJ6电动操动机构主要技术参数 |
|||||||||||||||||||||||||||||||||||||||||||||||||||||||||||||||||||||||||||||||||||||||||||||||||||||||||||||||||||||||||||||
|
|
|||||||||||||||||||||||||||||||||||||||||||||||||||||||||||||||||||||||||||||||||||||||||||||||||||||||||||||||||||||||||||||
|
<table ke-zeroborder" cellspacing="1" cellpadding="0" width="100%" border="0" style=";padding: 0px;color: rgb(97, 97, 97);border-spacing: 0px;background-color: rgb(204, 204, 204);width: 705px">
|
|||||||||||||||||||||||||||||||||||||||||||||||||||||||||||||||||||||||||||||||||||||||||||||||||||||||||||||||||||||||||||||