返回 产品展示
玻璃绝缘子LXAP-70-120
详细描述
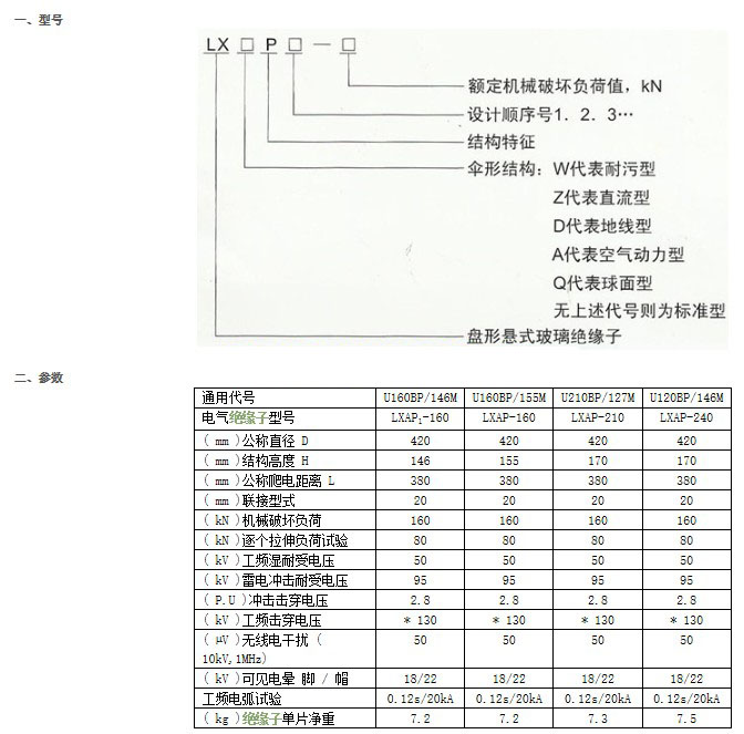
|
通用代号 |
U70BP/146M |
U100BP/127M |
U120BP/127M |
U120BP/146M |
|
顺祥电力器材绝缘子型号 |
LXAP-70 |
LXAP-100 |
LXAP1-120 |
LXAP-120 |
|
( mm )公称直径 D |
380 |
380 |
380 |
380 |
|
( mm )结构高度 H |
146 |
146 |
127 |
146 |
|
( mm )公称爬电距离 L |
365 |
365 |
365 |
365 |
|
( mm )联接型式 |
16 |
16 |
16 |
16 |
|
( kN )机械破坏负荷 |
70 |
70 |
70 |
70 |
|
( kN )逐个拉伸负荷试验 |
35 |
35 |
35 |
35 |
|
( kV )工频湿耐受电压 |
45 |
45 |
45 |
45 |
|
( kV )雷电冲击耐受电压 |
90 |
90 |
90 |
90 |
|
( P.U )冲击击穿电压 |
2.8 |
2.8 |
2.8 |
2.8 |
|
( kV )工频击穿电压 |
130 |
130 |
130 |
130 |
|
( µV )无线电干扰 ( 10kV,1MHz) |
50 |
50 |
50 |
50 |
|
( kV )可见电晕 脚 / 帽 |
18/22 |
18/22 |
18/22 |
18/22 |
|
工频电弧试验 |
0.12s/20kA |
0.12s/20kA |
0.12s/20kA |
0.12s/20kA |
|
( kg )绝缘子单片净重 |
5.3 |
5.2 |
5.3 |
5.4 |
